H24年度第一種電気工事士筆記試験 電気の基礎計算問題解説 Youtube
電気工事士1種 過去問の入手の仕方 ふくラボエレクトリック
H23年度第1種電気工事士 筆記 電気の基礎計算問題解説 Youtube
第一種電気工事士試験 過去問チャレンジ Fur Android Apk Herunterladen
第一種電気工事士技能試験の問題と解答 Ecee 一般財団法人電気技術者試験センター
H25年度第一種電気工事士 電気の基礎計算問題解説 Youtube
問題と解答 第一種電気工事士10年間の過去問と筆記試験の勉強法 電気工事士入門の書 電気の道は一歩から
第一種電気工事士 計算問題をマスターしよう H28 問4 Youtube
電工1種 過去問 計器用変圧器vt上流の限流ヒューズpfの役割 2019年問47 ふくラボエレクトリック
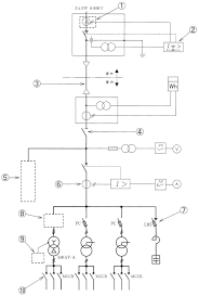
電気工事士1種 過去問 インタロック回路の結線図 2019年度問43 ふくラボエレクトリック
簡単に解ける 第一種電気工事士 電気の計算問題 Youtube
電気工事士1種 高圧受電設備に関する問題 H29年度問41 50 ふくラボエレクトリック
すい っと合格赤のハンディ ぜんぶ解くべし 第1種電気工事士 筆記過去問2020 すぃ っと合格赤のハンディ 安永 頼弘 池田 紀芳 本 通販 Amazon
第一種電気工事士試験 過去問チャレンジ Apk Download Latest Android Version 2 061 Jp Gr Java Conf Ykuaapps Dk1challenge
对于遍布日常生活里的各种种族歧视 小动作 我们可以做些什么 Goethe Institut China
解説付第二種電気工事士試験過去問 配線図 Free版安卓下載 安卓版apk 免費下載
2
Exhibition List By Booth No A Ae A E C
Https Www Sms Group Com Press Media Media Downloads Download Detail 21921